The Triumph TR4 (1961–1965) and TR4A (1965–1967) represented a major step forward in sports car refinement. Styled by Giovanni Michelotti, the TR4 introduced a modern full-width body, wind-up windows, and an optional “Surrey top” hardtop with removable panel. The TR4A added independent rear suspension as an option. Both used the proven 2,138 cc four-cylinder engine producing 100 bhp.
Service Information
Select a section below to view detailed specifications and service data.

General Data
Specifications from the official Triumph TR4 Workshop Manual. TR4A differences noted where applicable. Engine Number of cylinders4 Bore3.386 in. (86…

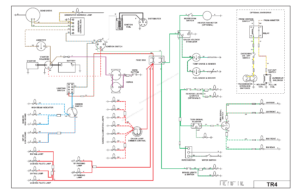
Wiring Diagrams
Workshop Manual Wiring Diagram — TR4 Color wiring diagram for the Triumph TR4. Click any image to view full size.…

Paint Colors
Factory paint color charts for Triumph vehicles. Click any image to view full size. Triumph Standard Colors Triumph Ditzler Colors…

Buyer's Guide
Buyer's Guide — Triumph TR4 & TR4AWhat to know before buying a Triumph TR4 or TR4A.OverviewThe Triumph TR4 (1961–65) and…
