Wiring Diagrams

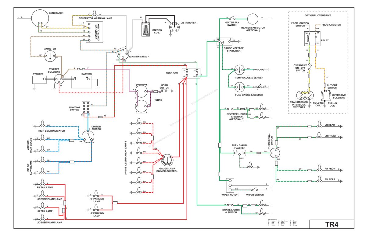
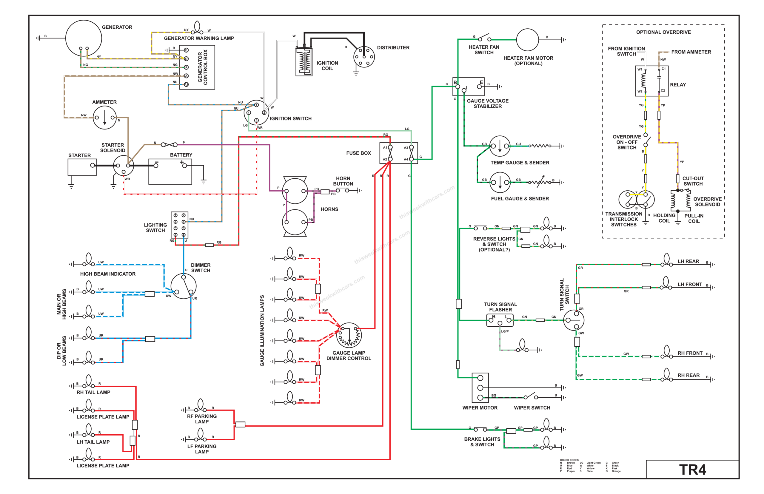
Workshop Manual Wiring Diagram — TR4

Color wiring diagram for the Triumph TR4. Click any image to view full size.


Triumph TR4 Wiring Diagram


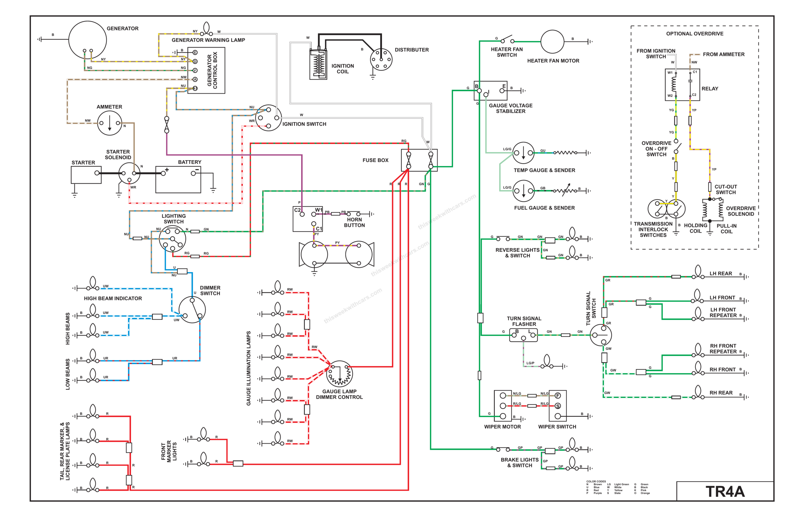
Workshop Manual Wiring Diagram — TR4A

Color wiring diagram for the Triumph TR4A.


Triumph TR4A Wiring Diagram

YouTubeFacebookInstagramTikTok
© 2026 This Week With Cars