The Triumph TR2 (1953–1955) and TR3 (1955–1962) established Triumph as a major sports car manufacturer. The TR2 featured a 1,991 cc four-cylinder engine producing 90 bhp, while the TR3 added more power, an egg-crate grille, and eventually front disc brakes — a first for a British production car. The TR3A, with its full-width grille, became the most popular variant with over 58,000 built.
Service Information
Select a section below to view detailed specifications and service data.

General Data
General Specification from the official Triumph TR2 & TR3 Factory Service Manual. Engine Number of cylinders4 Bore3.268 in. (83 mm.)…

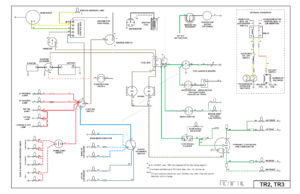
Wiring Diagrams
Workshop Manual Wiring Diagram — Factory (Fig. 34) Electrical equipment wiring diagram from the Triumph TR2, TR3, TR3A Factory Service…

Paint Colors
Factory paint color charts for Triumph vehicles. Click any image to view full size. Triumph Standard Colors Triumph Ditzler Colors…

Buyer's Guide
Buyer's Guide — Triumph TR2 & TR3What to know before buying a Triumph TR2 or TR3.OverviewThe Triumph TR2 (1953–55, ~8,600…
