The Austin-Healey 100 was produced from 1953 to 1956 and was the car that launched the Austin-Healey marque. Powered by the Austin 2,660 cc four-cylinder engine producing 90 bhp, the 100 earned its name from its ability to reach 100 mph. Originally designated the Healey Hundred, it became an instant sensation at the 1952 London Motor Show and went on to establish a formidable racing pedigree.
Service Information
Select a section below to view detailed specifications and service data.

Wiring Diagrams
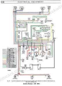
Workshop Manual Wiring Diagram — BN1 A general arrangement of the electrical circuits together with components in relation to their…
Paint Colors
Factory paint color charts for Austin-Healey vehicles. Click any image to view full size. Austin-Healey Sprite Paint Colors Austin, Austin-Healey,…

Buyer's Guide
Buyer's Guide — Austin Healey 100 What to know before buying an Austin Healey 100. Overview The Austin Healey 100…
