Wiring Diagrams

Workshop Manual Wiring Diagram — BN1

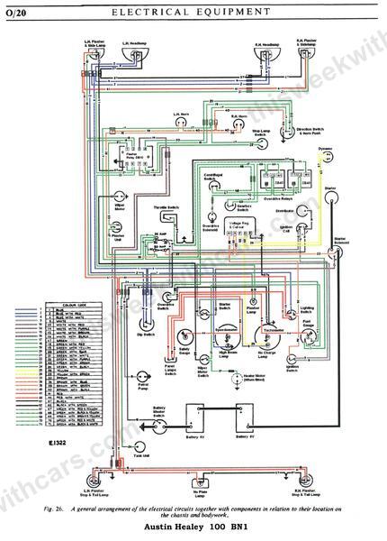
A general arrangement of the electrical circuits together with components in relation to their location on the chassis and bodywork. Click the image to view full size.


Austin Healey 100 BN1 Wiring Diagram

YouTubeFacebookInstagramTikTok
© 2026 This Week With Cars