Wiring Diagrams

Workshop Manual Wiring Diagrams

Wiring diagrams and keys from the Triumph Stag Workshop Manual covering U.S.A. market, R.H. steer, and L.H. steer variants. Click any image to view full size.

Wiring Diagram – U.S.A. Market Heater


Triumph Stag Wiring Diagram - U.S.A. Market Heater


Key to Wiring Diagram – U.S.A. Market Page 1


Triumph Stag Key to Wiring Diagram - U.S.A. Market Page 1


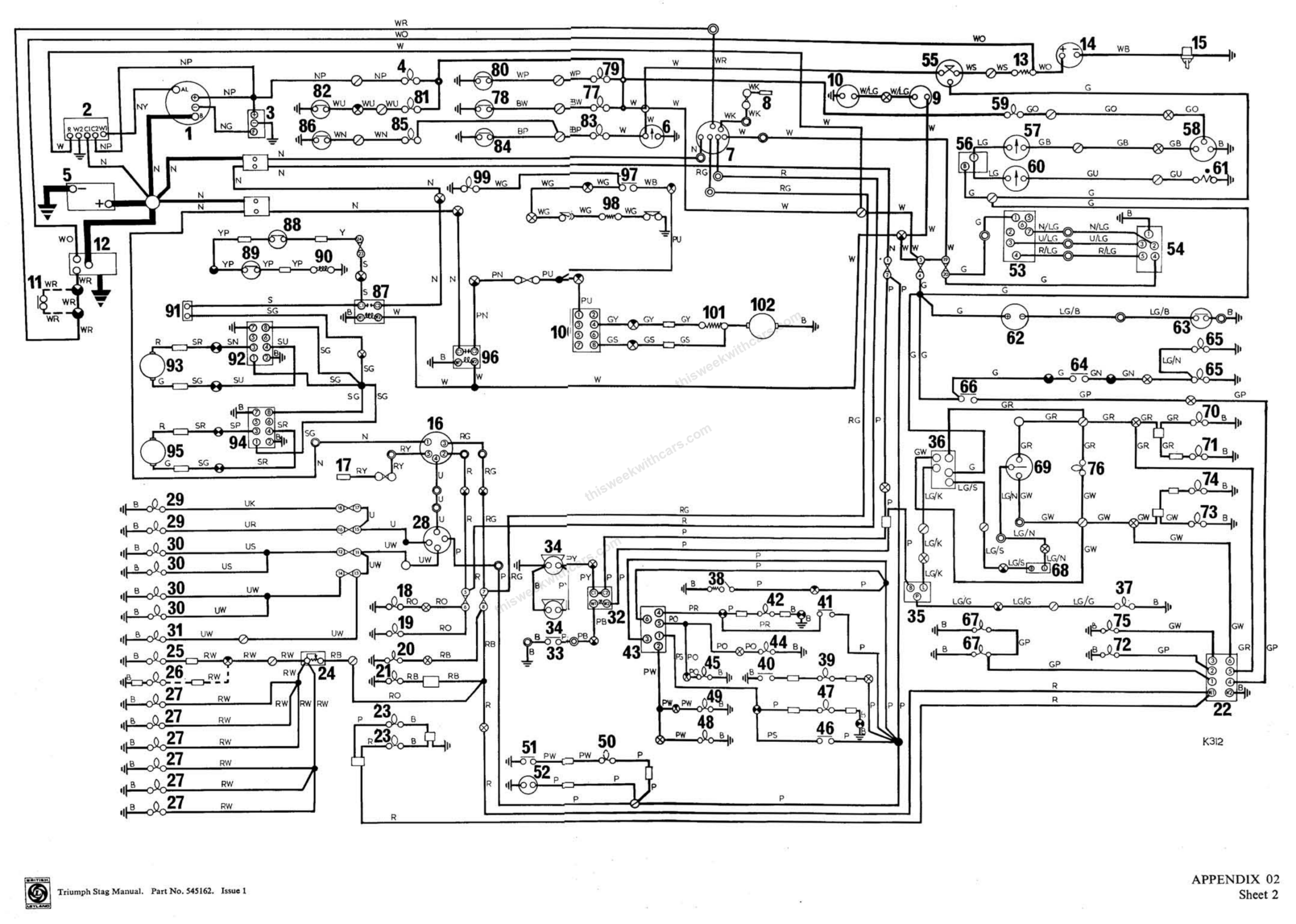
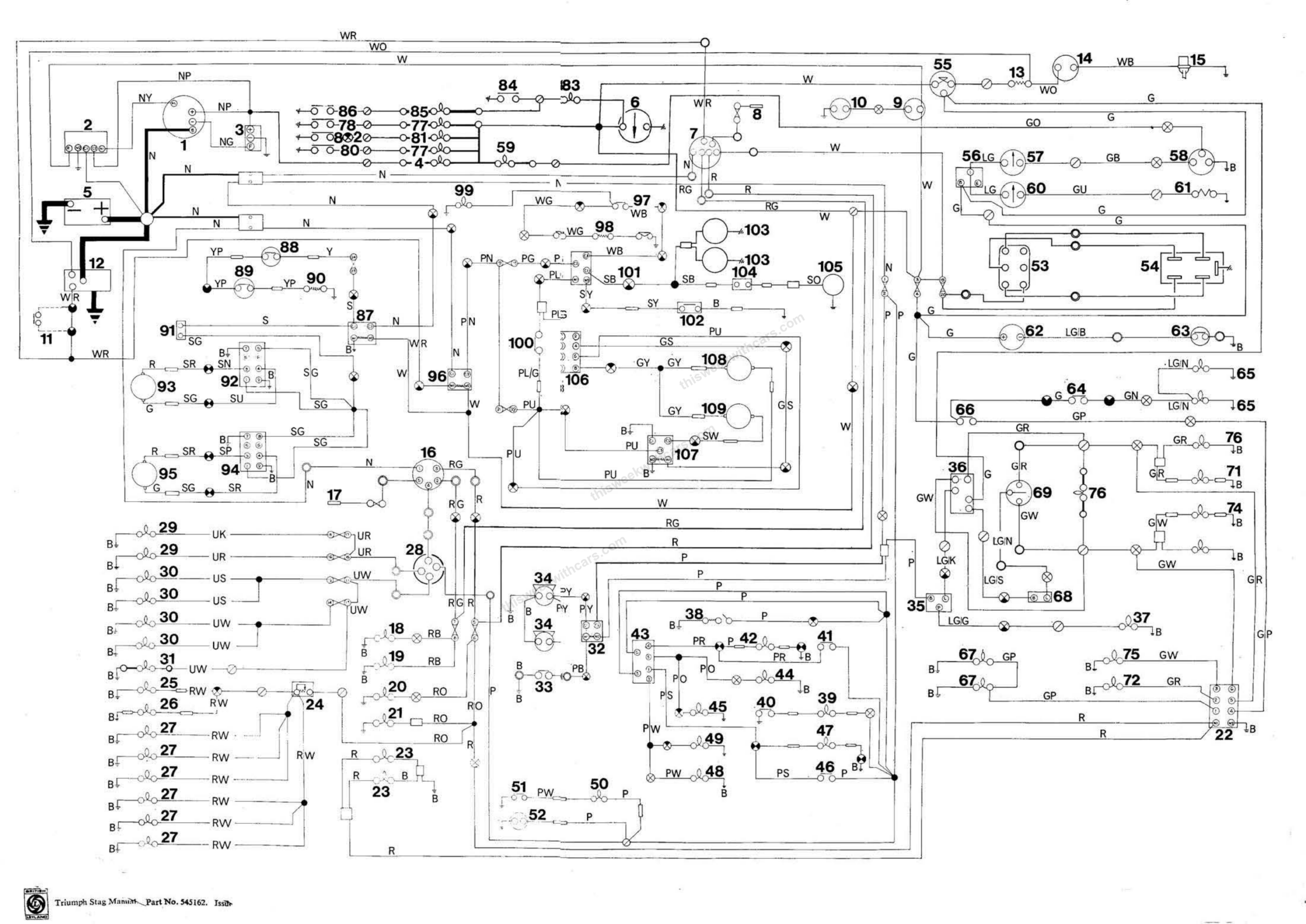
Wiring Diagram – U.S.A. Market


Triumph Stag Wiring Diagram - U.S.A. Market


Key to Wiring Diagram – U.S.A. Market Page 2


Triumph Stag Key to Wiring Diagram - U.S.A. Market Page 2


Wiring Diagram – R.H. Steer


Triumph Stag Wiring Diagram - R.H. Steer


Key to Wiring Diagram – R.H. Steer Page 1


Triumph Stag Key to Wiring Diagram - R.H. Steer Page 1


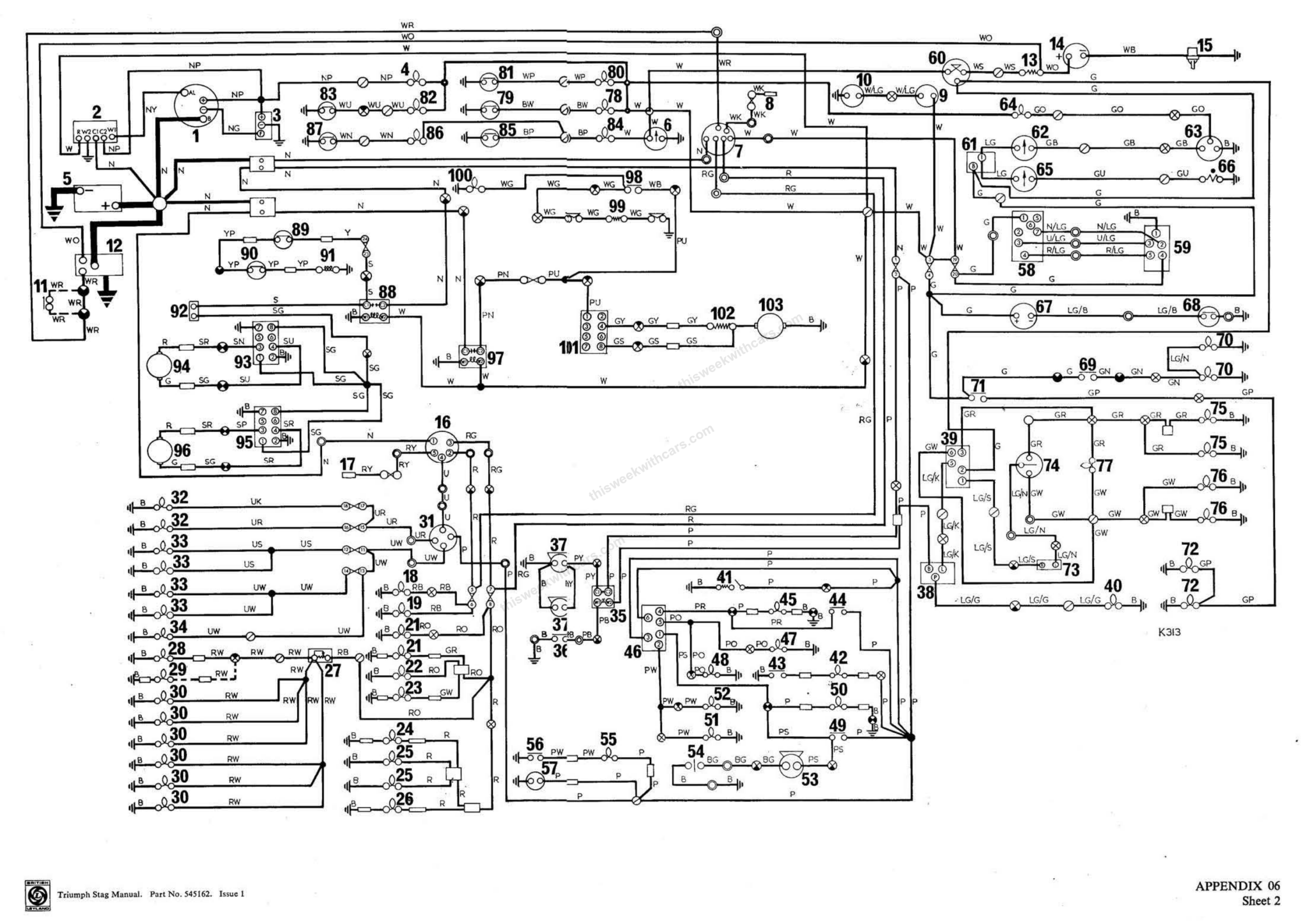
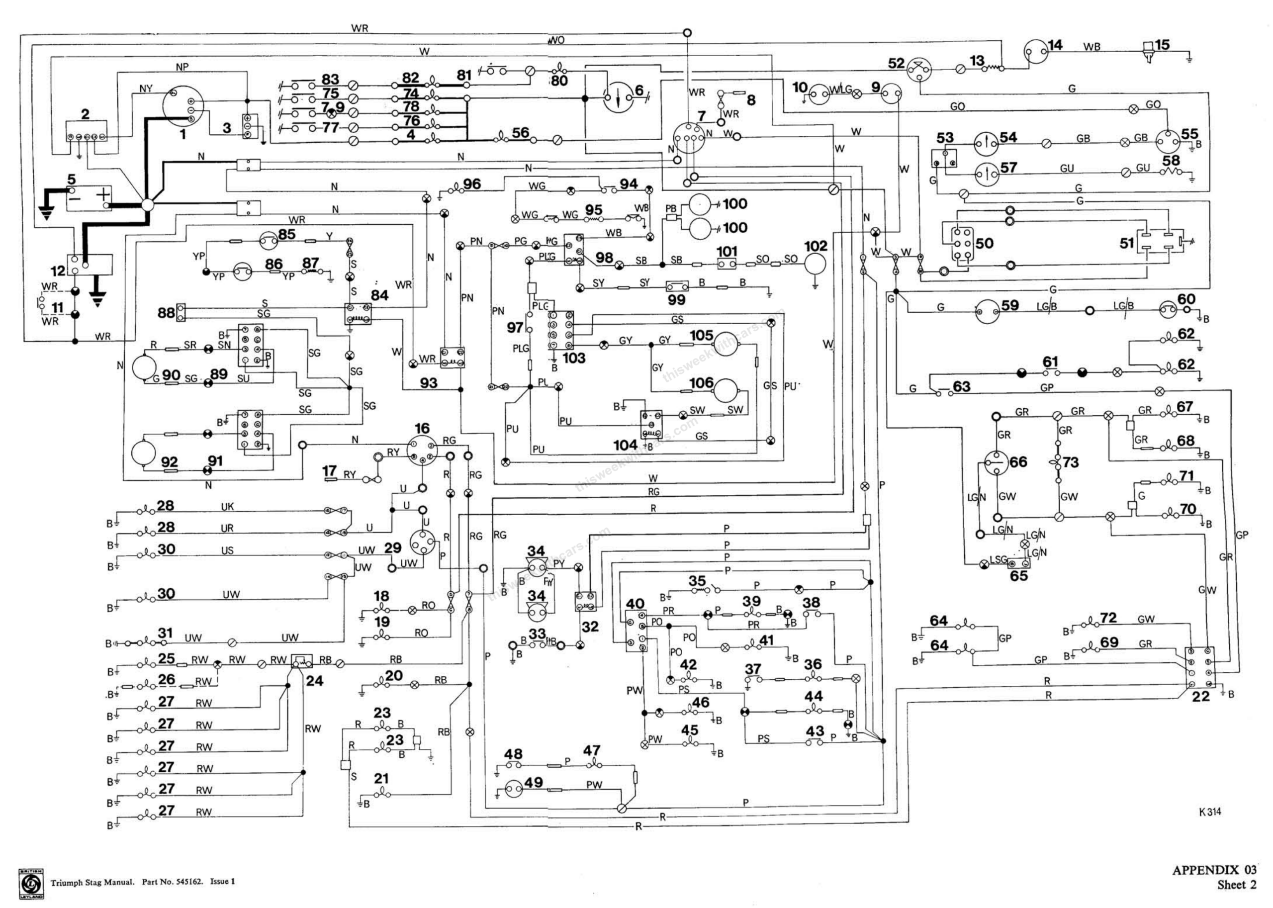
Wiring Diagram – R.H. Steer Full


Triumph Stag Wiring Diagram - R.H. Steer Full


Key to Wiring Diagram – R.H. Steer Page 2


Triumph Stag Key to Wiring Diagram - R.H. Steer Page 2


Wiring Diagram – L.H. Steer


Triumph Stag Wiring Diagram - L.H. Steer


Key to Wiring Diagram – L.H. Steer


Triumph Stag Key to Wiring Diagram - L.H. Steer


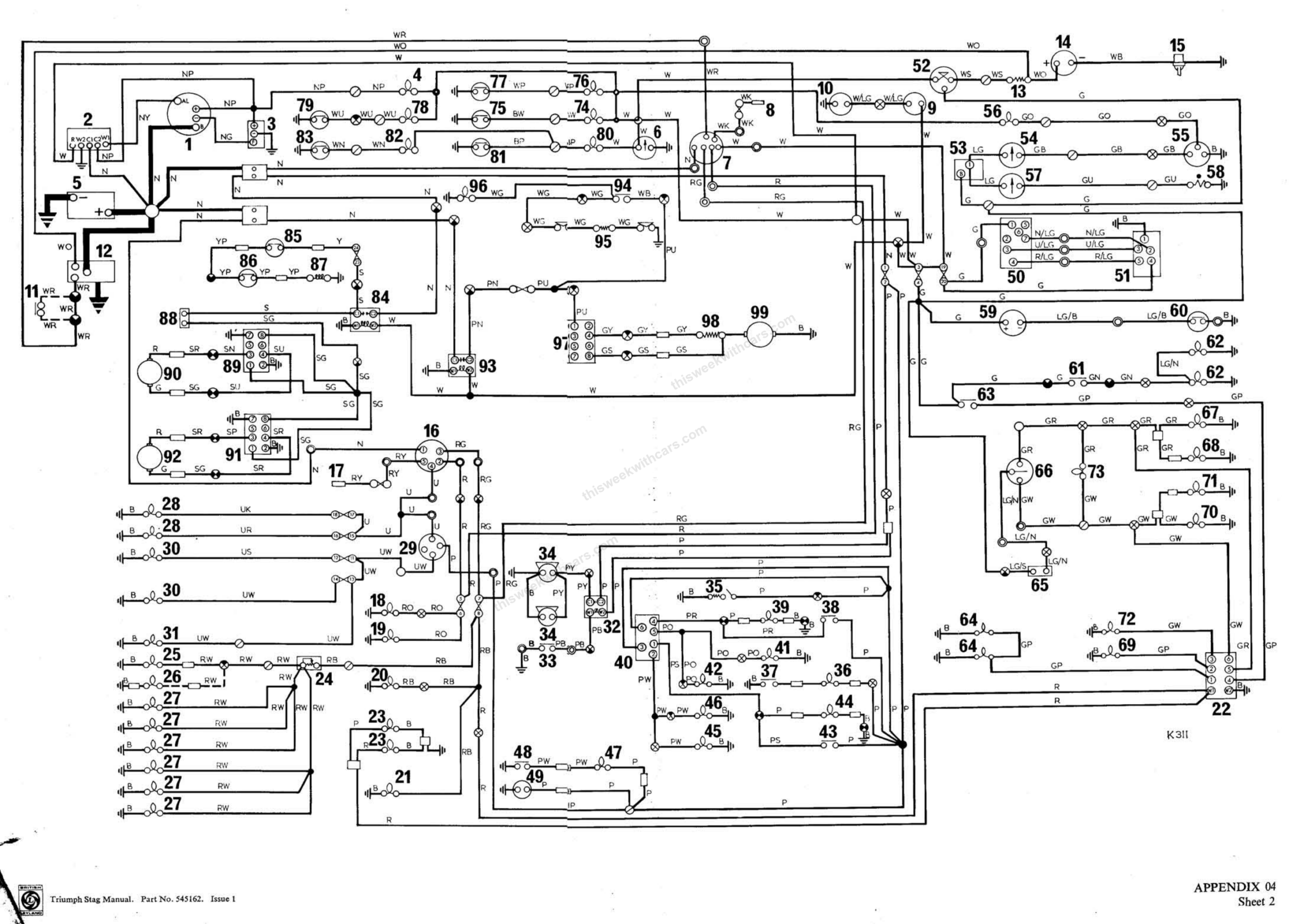
Wiring Diagram – Additional 1


Triumph Stag Wiring Diagram - Additional 1


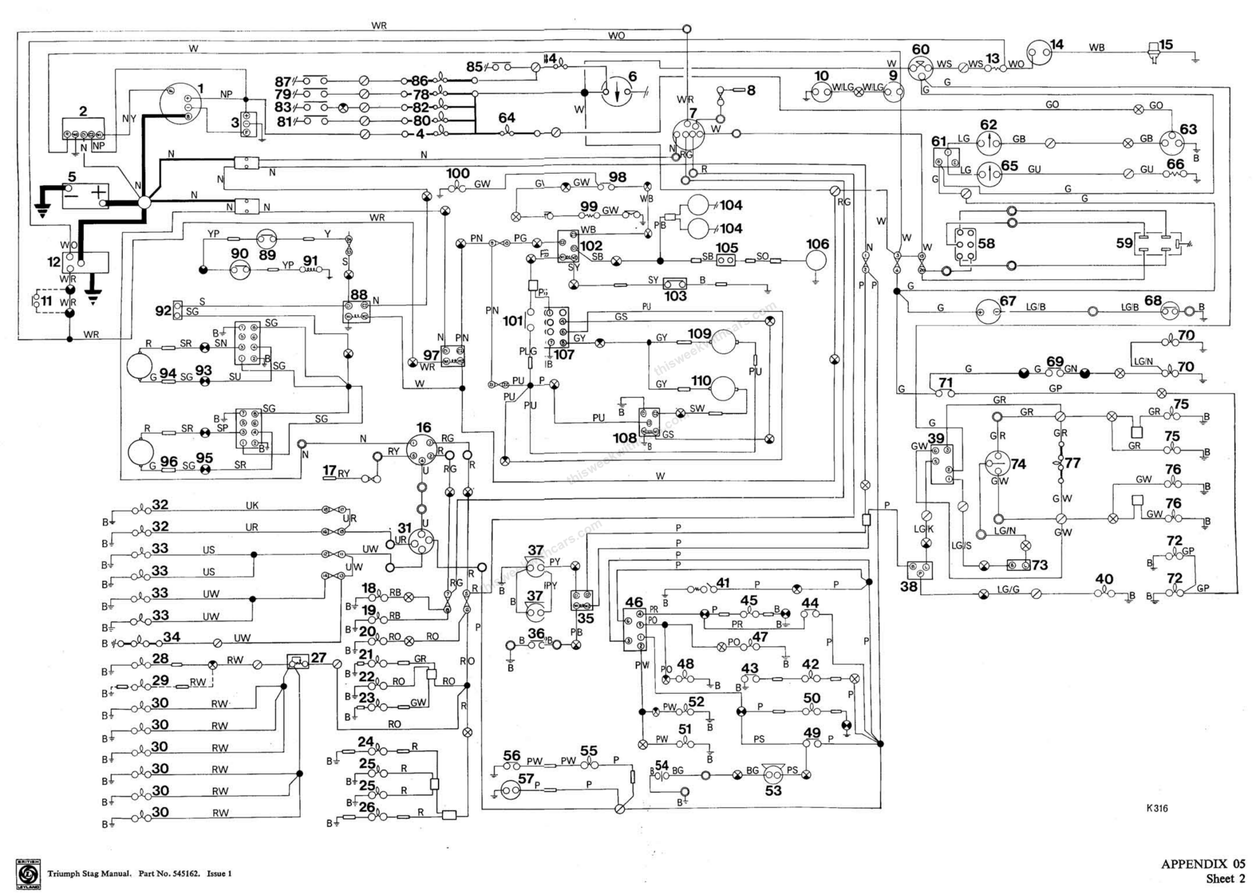
Wiring Diagram – Additional 2


Triumph Stag Wiring Diagram - Additional 2


YouTubeFacebookInstagramTikTok
© 2026 This Week With Cars