The MGB, produced from 1962 to 1980, became one of the best-selling sports cars in history with over 500,000 built. Its monocoque construction was a first for MG, and the 1,798 cc B-Series engine produced 95 bhp. Available as a roadster and as the GT coupé (from 1965), the MGB offered reliable, affordable open-air motoring that defined the British sports car experience for a generation.
Service Information
Select a section below to view detailed specifications and service data.

General Data
Specifications from the official MGB Workshop Manual. Engine 18G / 18GA Engine — General Type18G, 18GA Number of cylinders4 Bore3.16…

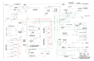
Wiring Diagrams
Workshop Manual Wiring Diagrams — Workshop Manual Complete set of 18 factory wiring diagrams from the MGB Workshop Manual, covering…

Paint Colors
Factory paint color charts for MG vehicles. Click any image to view full size. BLMC MG Colors — 1966 British…

Buyer's Guide
Buyer's Guide — MG MGB What to know before buying an MG MGB. Overview The MG MGB was produced from…
