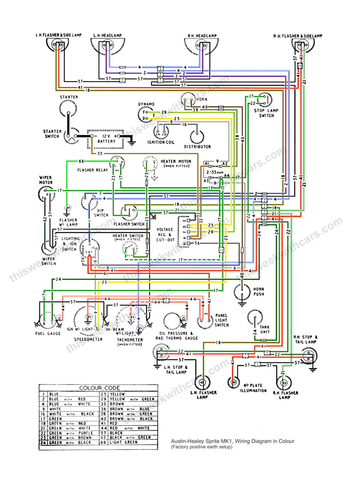
Workshop Manual Wiring Diagram
Official factory schematic with numbered component references. Use with the key below to identify each component.
Wiring Diagram Key
Component identification key and cable colour codes for the factory wiring diagram above.
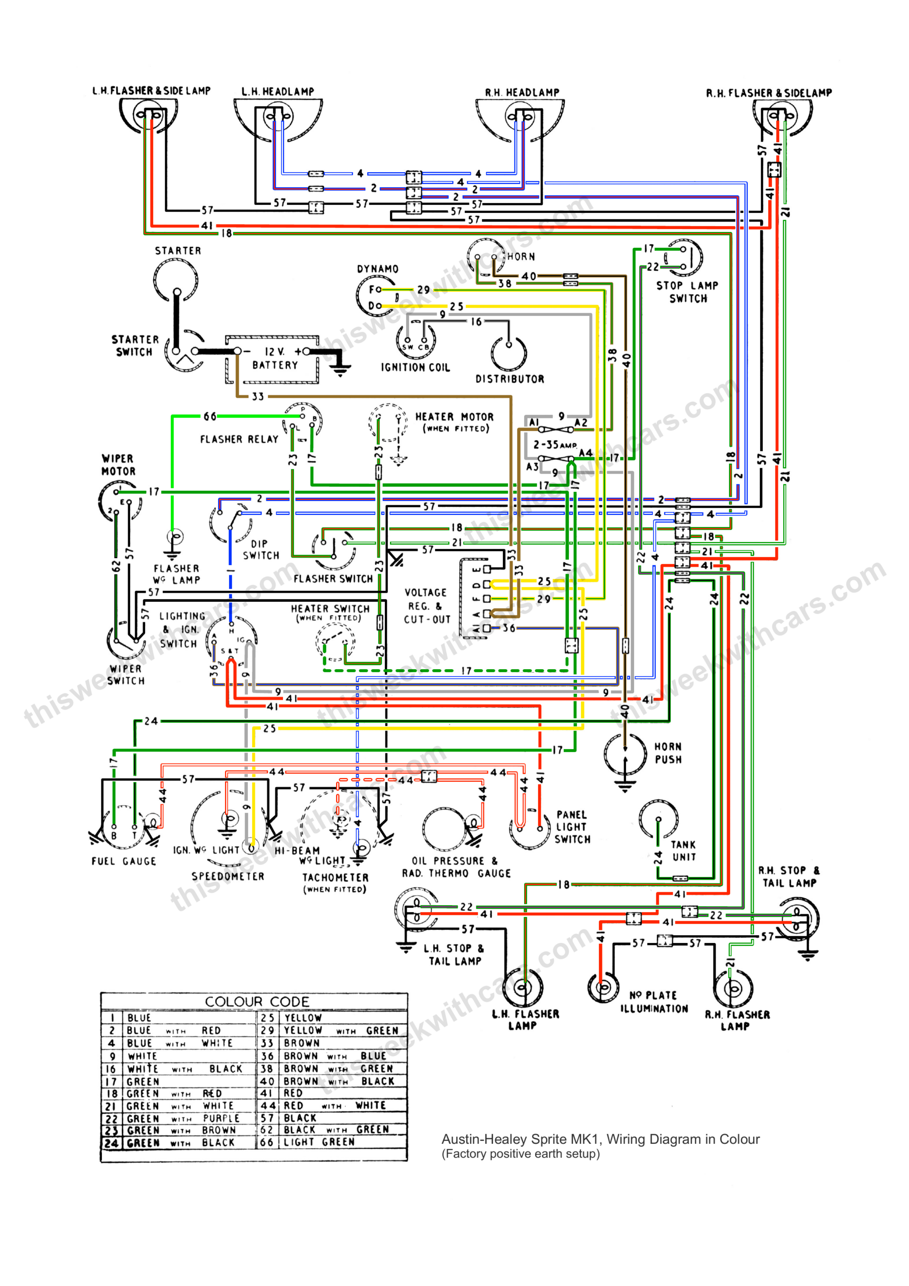
Color Wiring Diagram
Color-coded wiring diagram for the Austin Healey Sprite MK1 (Bugeye/Frogeye). Click any image to view full size.
